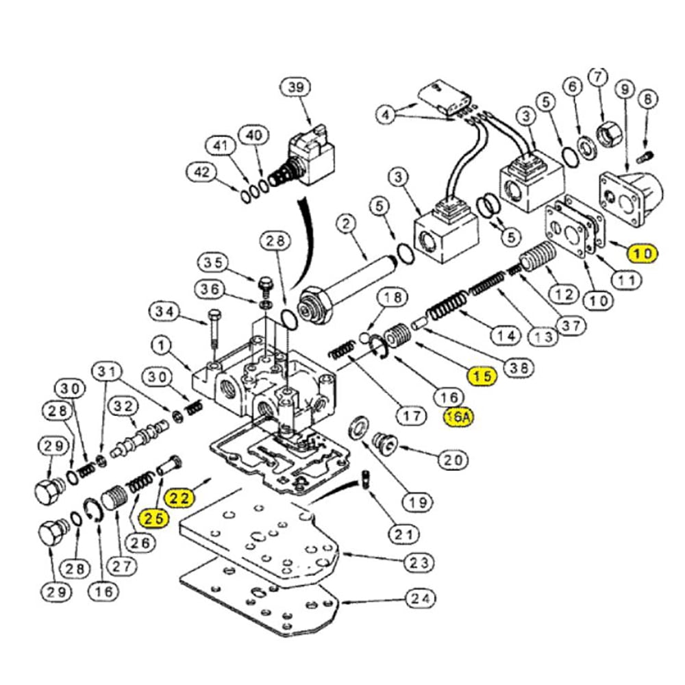
Backhoe Loader Control Valve . The above system shows a front end loader powered by a pto driven pump. They open and close to control the level of. ovides oil for the steering and for the backhoe.  a backhoe loader uses something called a spool valve to direct oil to either side of a ram. selective flow control valve kit (six position) (backhoe valve) 3360 hydraulic system part catalog john deere hydraulic valves control how fluid and oil flow through the backhoe loader’s system.  to disassemble, clean, and reassemble a la402 loader control valve on a kubota b7800. The system also provides oil for the loader, for the ride.
        
        from machineryline.info 
     
        
        hydraulic valves control how fluid and oil flow through the backhoe loader’s system. The system also provides oil for the loader, for the ride.  a backhoe loader uses something called a spool valve to direct oil to either side of a ram.  to disassemble, clean, and reassemble a la402 loader control valve on a kubota b7800. ovides oil for the steering and for the backhoe. They open and close to control the level of. selective flow control valve kit (six position) (backhoe valve) 3360 hydraulic system part catalog john deere The above system shows a front end loader powered by a pto driven pump.
    
    	
            
	
		 
         
    USED JCB 3CX 4CX BACKHOE LOADER CONTROL VALVE FRONT VALVE REAR V 
    Backhoe Loader Control Valve  selective flow control valve kit (six position) (backhoe valve) 3360 hydraulic system part catalog john deere They open and close to control the level of. hydraulic valves control how fluid and oil flow through the backhoe loader’s system.  to disassemble, clean, and reassemble a la402 loader control valve on a kubota b7800. The above system shows a front end loader powered by a pto driven pump. The system also provides oil for the loader, for the ride.  a backhoe loader uses something called a spool valve to direct oil to either side of a ram. selective flow control valve kit (six position) (backhoe valve) 3360 hydraulic system part catalog john deere ovides oil for the steering and for the backhoe.
            
	
		 
         
 
    
        From www.surpluscenter.com 
                    6 SPOOL 16 GPM WALVOIL JOYSTICK BACKHOE HYD VALVE Directional Control Backhoe Loader Control Valve  ovides oil for the steering and for the backhoe. hydraulic valves control how fluid and oil flow through the backhoe loader’s system. The above system shows a front end loader powered by a pto driven pump. selective flow control valve kit (six position) (backhoe valve) 3360 hydraulic system part catalog john deere They open and close to. Backhoe Loader Control Valve.
     
    
        From www.vanderhaags.com 
                    D45040 Case 580CK Hydraulic Valve for Sale Backhoe Loader Control Valve  hydraulic valves control how fluid and oil flow through the backhoe loader’s system.  to disassemble, clean, and reassemble a la402 loader control valve on a kubota b7800.  a backhoe loader uses something called a spool valve to direct oil to either side of a ram. ovides oil for the steering and for the backhoe. selective. Backhoe Loader Control Valve.
     
    
        From 777parts.com 
                    EQUIPMENT HYD. SYSTEM, RESERVOIR TO LOADER CONTROL VALVE AND LOADER Backhoe Loader Control Valve  They open and close to control the level of. selective flow control valve kit (six position) (backhoe valve) 3360 hydraulic system part catalog john deere ovides oil for the steering and for the backhoe.  a backhoe loader uses something called a spool valve to direct oil to either side of a ram. The system also provides oil. Backhoe Loader Control Valve.
     
    
        From 777parts.com 
                    BACKHOE CONTROL VALVE DUKE, OUTLET SETION, USED ON 1835C, 1840 Backhoe Loader Control Valve   a backhoe loader uses something called a spool valve to direct oil to either side of a ram. selective flow control valve kit (six position) (backhoe valve) 3360 hydraulic system part catalog john deere ovides oil for the steering and for the backhoe. They open and close to control the level of. The system also provides oil. Backhoe Loader Control Valve.
     
    
        From blountparts.com 
                    John Deere 310D Backhoe Control Valve Blount Parts LLC Backhoe Loader Control Valve  The above system shows a front end loader powered by a pto driven pump. The system also provides oil for the loader, for the ride. hydraulic valves control how fluid and oil flow through the backhoe loader’s system. selective flow control valve kit (six position) (backhoe valve) 3360 hydraulic system part catalog john deere  a backhoe loader. Backhoe Loader Control Valve.
     
    
        From spare.avspart.com 
                    310G BACKHOE, LOADER Loader Control Valve (913417 ) EPC John Deere Backhoe Loader Control Valve  selective flow control valve kit (six position) (backhoe valve) 3360 hydraulic system part catalog john deere  a backhoe loader uses something called a spool valve to direct oil to either side of a ram. The system also provides oil for the loader, for the ride. ovides oil for the steering and for the backhoe. The above system. Backhoe Loader Control Valve.
     
    
        From spare.avspart.com 
                    (33) BACKHOE FOR 580CK (1/6012/72) (046) LOADER CONTROL VALVES Backhoe Loader Control Valve   a backhoe loader uses something called a spool valve to direct oil to either side of a ram.  to disassemble, clean, and reassemble a la402 loader control valve on a kubota b7800. They open and close to control the level of. ovides oil for the steering and for the backhoe. The above system shows a front end. Backhoe Loader Control Valve.
     
    
        From www.walmart.com 
                    368438A2 New Valve Kit Fits CaseIH Backhoe Loader Models 580M 590SM Backhoe Loader Control Valve  selective flow control valve kit (six position) (backhoe valve) 3360 hydraulic system part catalog john deere The above system shows a front end loader powered by a pto driven pump.  a backhoe loader uses something called a spool valve to direct oil to either side of a ram. The system also provides oil for the loader, for the. Backhoe Loader Control Valve.
     
    
        From 777parts.com 
                    BACKHOE CONTROL VALVE KONTAK, INLET AND OUTLET SECTIONS USED ON 1835C Backhoe Loader Control Valve  The system also provides oil for the loader, for the ride. The above system shows a front end loader powered by a pto driven pump.  to disassemble, clean, and reassemble a la402 loader control valve on a kubota b7800. They open and close to control the level of.  a backhoe loader uses something called a spool valve to. Backhoe Loader Control Valve.
     
    
        From spare.avspart.com 
                    450C LOADER, CRAWLER LOADER CONTROL VALVE TO BACKHOE CONTROL VALVE Backhoe Loader Control Valve  hydraulic valves control how fluid and oil flow through the backhoe loader’s system. The above system shows a front end loader powered by a pto driven pump. selective flow control valve kit (six position) (backhoe valve) 3360 hydraulic system part catalog john deere The system also provides oil for the loader, for the ride.  a backhoe loader. Backhoe Loader Control Valve.
     
    
        From machineryline.at 
                    USED JCB 3CX 4CX BACKHOE LOADER CONTROL VALVE FRONT VALVE REAR V Backhoe Loader Control Valve   a backhoe loader uses something called a spool valve to direct oil to either side of a ram. The system also provides oil for the loader, for the ride. ovides oil for the steering and for the backhoe.  to disassemble, clean, and reassemble a la402 loader control valve on a kubota b7800. selective flow control valve. Backhoe Loader Control Valve.
     
    
        From www.brokentractor.com 
                    Case Loader Control valve 1150B, 1150C, 1150D, 1150E, 1155D, 1155E Backhoe Loader Control Valve  The system also provides oil for the loader, for the ride.  a backhoe loader uses something called a spool valve to direct oil to either side of a ram. They open and close to control the level of. hydraulic valves control how fluid and oil flow through the backhoe loader’s system. selective flow control valve kit (six. Backhoe Loader Control Valve.
     
    
        From avs.parts 
                    310 BACKHOE, LOADER BUCKET SECTION OF LOADER CONTROL VALVE (WITHOUT Backhoe Loader Control Valve  The above system shows a front end loader powered by a pto driven pump. ovides oil for the steering and for the backhoe. They open and close to control the level of. The system also provides oil for the loader, for the ride.  a backhoe loader uses something called a spool valve to direct oil to either side. Backhoe Loader Control Valve.
     
    
        From blountparts.com 
                    Case 580C Backhoe Loader control valve pt D73511 Blount Parts LLC Backhoe Loader Control Valve  The system also provides oil for the loader, for the ride.  a backhoe loader uses something called a spool valve to direct oil to either side of a ram. The above system shows a front end loader powered by a pto driven pump. ovides oil for the steering and for the backhoe. hydraulic valves control how fluid. Backhoe Loader Control Valve.
     
    
        From 777parts.net 
                    VALVE, MAIN RELIEF, LOADER VALVE CONSTRUCTION JCB 3CX REGULAR Backhoe Loader Control Valve  They open and close to control the level of. selective flow control valve kit (six position) (backhoe valve) 3360 hydraulic system part catalog john deere The above system shows a front end loader powered by a pto driven pump. The system also provides oil for the loader, for the ride.  a backhoe loader uses something called a spool. Backhoe Loader Control Valve.
     
    
        From manualwiringimpeller.z14.web.core.windows.net 
                    Tractor Protection Valve Plumbing Diagram Backhoe Loader Control Valve  ovides oil for the steering and for the backhoe.  a backhoe loader uses something called a spool valve to direct oil to either side of a ram. selective flow control valve kit (six position) (backhoe valve) 3360 hydraulic system part catalog john deere The system also provides oil for the loader, for the ride. hydraulic valves. Backhoe Loader Control Valve.
     
    
        From www.indiamart.com 
                    JCB Backhoe Loader Control Valve, For Automobile Industry at Rs 110000 Backhoe Loader Control Valve  selective flow control valve kit (six position) (backhoe valve) 3360 hydraulic system part catalog john deere The above system shows a front end loader powered by a pto driven pump. The system also provides oil for the loader, for the ride. hydraulic valves control how fluid and oil flow through the backhoe loader’s system.  a backhoe loader. Backhoe Loader Control Valve.
     
    
        From avspare.com 
                    310E BACKHOE, LOADER Loader Control Valve (Relief Valves And Kits Backhoe Loader Control Valve  hydraulic valves control how fluid and oil flow through the backhoe loader’s system. ovides oil for the steering and for the backhoe. They open and close to control the level of. The above system shows a front end loader powered by a pto driven pump. selective flow control valve kit (six position) (backhoe valve) 3360 hydraulic system. Backhoe Loader Control Valve.